GGU-STABILITY: Menüeintrag "Max. Nagelkräfte + Durchstanzen"
Die Berechnung der maximalen Nagelkräfte bei Verwendung von Zuggliedern erfolgt wie unter Menüeintrag "Nagelwand / Maximale Nagelkräfte" beschrieben.

Je nach Einstellung erscheint nun entweder der Durchstanznachweis nach DIN 1045, oder der Durchstanznachweis nach DIN EN 1992-1 (Eurocode 2).
Nach DIN 1045
Der in der Dialogbox "Maximale Nagelkräfte berechnen" vorgeschlagene Wert für den Erddruck e,d wird auch für den Durchstanznachweis übernommen. Nach Bestätigung oder auch gegebenenfalls Änderung des berechneten Erddruckwerts erscheint folgende Dialogbox:

Die gemäß den Erläuterungen im Menüeintrag "Nagelwand / Maximale Nagelkräfte" ermittelten maximalen Nagelkräfte werden in der Liste der Dialogbox angezeigt. Der maximale Wert aller Nägel wird mit dem horizontalen Nagelabstand multipliziert und als Bemessungswert für den Durchstanznachweis vorgeschlagen (siehe Eintrag hinter "Nachweis mit [kN]:"). Dieser Wert kann, falls gewünscht, geändert werden. Falls Sie mehrere Berechnungen von Gleitkörpern durchführen, den Nachweis der Durchstanzsicherheit jedoch mit einem anderen als den vorgeschlagenen Wert führen wollen, können Sie mit dem Knopf "Alten Nachweiswert holen" den zuletzt eingegebenen Wert in die Eingabebox zurückholen.
Danach erfolgt der Nachweis der Durchstanzsicherheit. Die Pressung unter dem Durchstanzbereich wird gemäß EC 2 von der Nagelkraft abgezogen. Die Pressung ergibt sich aus dem abgeminderten Erddruck (siehe oben). Neben diesen Angaben sind gemäß EC 2 für den Durchstanznachweis noch anzugeben:
nutzbare Höhe der Betonschale im Bereich des Nachweises (% der Dicke der Betonschale),
Breite der Nagelplatte (= Höhe),
vorhandene Biegebewehrung,
verwendeter Beton,
verwendeter Betonstahl.
Diese Eingaben tätigen Sie im unteren Bereich der Dialogbox. Mit dem Knopf "OK" wird der Nachweis geführt und Sie erhalten die Ergebnisse angezeigt.

Die Dialogbox enthält alle maßgebenden Werte des Nachweises. Mit dem Knopf "nochmal" können Sie den Nachweis mit gegebenenfalls veränderten Eingabewerten wiederholen.
Falls Sie im Menüeintrag "Nagelwand / Nachweise/Sicherheiten" den Schalter "Durchstanznachweis" aktiviert haben, werden anschließend wesentliche Bemessungswerte in der "Legende Nagelwand" auf dem Bildschirm dargestellt.
NACH DIN EN 1992-1 (Abs. 6.4.4 Durchstanzen)

Stützentyp
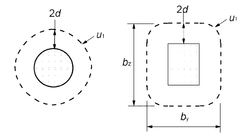
Die Einstellung des Stützentyps bezieht sich auf die Querschnittsabmessung der Stütze. Es gibt “rechteckig”, “quadratisch” und “rund” zur Auswahl, je nach Ankerplatte.

cx, cy, r
Die Felder cx, cy, und r sind die Abmessungen der Ankerplatte, Breite in x-Richtung (cx), Breite in y-Richtung (cy) und Radius der Ankerplatte (r).
eah
Der Erdruck eah kann hier nicht mehr editiert werden, da er sich aus den vorigen Eingabemasken ergibt.
Winkel θ, max θ, θ Schrittweite
θ beschreibt den Winkel unterhalb des Durchstanzkegels, welcher in Bild 6.12 dargestellt ist. Die Norm gibt hier keinen maximalen Winkel für θ vor, weshalb Sie hier einen max θ Winkel vorgeben müssen. Bei Spritzbetonschalen und Fundamenten haben Versuche auch Winkel θ > 45° nachgewiesen. Mit der

β (Laststellungsfaktor)


CRdc

Nachweisverfahren:
Beim Nachweisverfahren darf zwischen “Iterativer Nachweis” und “Einzelnachweis” gewählt werden. Der Nationale Anhang zu DIN EN 1992-1 schreibt in NCl Zu 6.4.2 (2), dass der Abstand acrit beim Durchstanznachweis iterativ zu ermitteln ist. Hierfür dient auch die Schrittweite der Iteration, mit welcher der θ Winkel verändert wird und dessen Obergrenze max θ zuständig.

Querschnitt
Wenn Sie auf die Schaltfläche Querschnitt klicken, öffnet sich die Eingabemaske des Querschnitts der Spritzbetonschale. Die Höhe und die Bemessungseinwirkung VEd des Querschnitts wurden bereits vorausgefüllt und sind hier nicht mehr veränderbar. Sie können die Betondeckung cnom, sowie die Bewehrung und den Beton über diese Maske anpassen

Bewehrung
In der Eingabemaske Bewehrung können die nach DIN EN 1992-1 maßgeblichen Parameter bearbeitet werden. Es kann über das Dropdown die Art der Bewehrung verändert werden, je nach vorhandener Biegebewehrung der Spritzbetonschale. Als Standard ist hier Q636 A eingestellt.


Beton
In der Eingabemaske Beton können Sie die Eigenschaften des verwendeten Betons definieren. Standardmäßig ist ein C25/30 mit Teilsicherheitsbeiwert γc 1.5 eingestellt.

Nachweisen
Über die Schaltfläche Nachweisen können Sie den Durchstanznachweis führen. Zu beachten ist, dass wenn der Durchstanznachweis geöffnet ist, Sie aber nicht auf Nachweisen klicken, auch kein Nachweis geführt wird. Das Ergebnis erscheint dann als Popup-Fenster.
Sofern der Nachweis erfüllt ist wird der Ausnutzungsgrad angezeigt:

Sofern Durchstanzbewehrung erforderlich ist wird die Menge an Durchstanzbewehrung um den Nachweis zu erfüllen ausgegeben. Diese Erscheint auch im Ausdruck.

Sofern bei der Berechnung ein Fehler auftrat (in den meisten Fällen wenn die Vorwerte nicht eingestellt wurden), wird die Fehlermeldung ebenso ausgegeben:

Beispiel einer Fehlermeldung. Hier wurde vergessen der Wert für cx einzugeben.